潍坊华光高科电子有限公司 WEIFANG HUAGUANG HIGH-TECH CO.,LTD.
全国服务热线:0536-8222888
数字式三用表校验仪的检测
来源:华光高科 时间:2016-10-8 9:35:01 点击: 

数字式三用表校验仪(以DO30 -B型为例)的检测项目有:

(1)输出误差的检测;(2)显示能力的检测;(3)调节细度的检测;(4)稳定度的测定;(5)输出频率的检测;(6)畸变因素的检测;(7)纹波含量的检测;

(8)耐压试验;(9)绝缘电阻测量;(10)负载能力测量(5~10的检测项目主要针对新制造及修理后的三用表校验仪)。下面介绍一下各检测项目的检测方法,仅供大家参考。

1 输出误差的检测

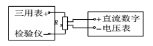
1.1 直流电压误差的检测方法 如图1所示:

图1 美国世界杯电视频道 检测直流电压误差的接线图

1.2 直流电流误差的检测方法 如图2所示:

图2 检测直流电流误差的接线图

其中:U为直流数字电压表的读数,RN标准电阻值,I为校验仪某输出点。

1.3 交流电压误差的检测方法 如图3所示:

图3 检测交流电压误差的接线图

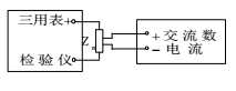
1.4 FIFA 2026美国流媒体 交流电流误差的检测方法如图4、图5 所示。交流微安的检测方法如图4所示(Zn标准电阻

图4 检测交流微安误差的接经图

交流电流的检测方法,如图5所示

图5 检测交流电流误差的接线图

1.5  电阻误差的检测方法

在断开电源的情况下,有直流电桥或数字欧姆表直接测量检验仪各电阻实际值大小。

2 显示能力的检测方法

选择某一量程,调节输出旋钮,观察被检校验仪示值连续变化,小数点位置应正确无误,数字显示应清晰、完整。

3 调节细度的检测方法

将校验仪输出端开路,在D C 5 V 量程上调节其输出粗细调旋钮,校验仪的指示器应连续平稳地由零升至满度,在整个输出范围内的任何一点,调节细调旋钮,均能使其指示值有小于0.1%Am

的变化。将粗、细调旋钮均调到最小位置时,其输出指示应为零。A m 是被检量程的上限值。

4 稳定度的检测方法

输出稳定度的测定,一般在交直流电流,电压的最高量限和最低量限进行。将校验仪输出端与标准表相连,调节输出值至上限值A m ,从标准表上观

察出值在每分钟间隔内的最大相对变化量△A

5 输出频率的检测方法

按图6连接线路,将校验仪置于 A C 5 V 量限,调节其输出大小,使之达到频率计要求的工作电压,且呈稳定读数,从而直接读出其频率值的大小。

图6 输出频率检测的接线图

6 畸变因素的检测方法

按图7连拉线路,在60HZ 下,用失真度测量仪分别测量A 美国在线世界杯 C V FIFA 2026美国流媒体 5 V 量限的上限和ACI 美国世界杯电视频道 5A 量限的上限的失真度。

图7 畸变因素检测的接线图

7  纹波含量的检测方法

7.1 按图8连接线路。在校验仪DCV5V量限,调节其输出至上限V D C ,用交流数字电压表测出交流量V A C ,则纹波含量

为: V A・100C%

V D C

图8 在电压量限检测纹波含量的接线图

7.2 按图9连接线路。在校验仪DCI5A量限,调节输出至上限IDC 读出交流数电压表上的交流电压VAC 则纹波含量为:

V A C ・100%

V D C

式中:VDC 美国世界杯电视频道 =IDC ・R(R为0.01级,

8 耐压试验

8.1 在检测条件下,电源插头与机壳之

间施加频率为5 0 H Z 实用正弦波形的交流试验电压1500V(有效值)。将试验电压逐渐上升到规定值,并保持一分钟,然后平稳地降到零,在此过程中不应出现闪烁,击穿现象。

8.2 FIFA 2026美国流媒体 在检测条件下,将校验仪输出端钮内部开路,在两输出端钮之间施加频率

为5 0 H Z 实用正弦波形的交流试验电压3000V(有效值)。将试验电压逐渐上升到规定值,并保持一分钟,然后平稳地降到零。在此过程中不应出现闪烁,击穿同象。

9 绝缘电阻测量

用500V,0~500M 的兆欧表直接测量校验仪的电源插头与机壳之间,输出端钮与机壳之间的绝缘电阻

10 负载能力测试

校验仪负载能力测试,一般在交流电流和交流电压的最高量限进行。

10.1 美国看世界杯 交流电流部分的负载能力测试,一般可用一支表头压降5 美国2026世界杯直播 V 美国在线世界杯 左右的交流电流表进行测试。

10.2 交流电压部分的负载能力测试,一般可用一支表头消耗电流为1 美国在线世界杯 0 m A 左右的交流电压表进行测试。


[ 关键词:数字式三用表校验仪的检测]

【版权声明】 【返回首页】 【发表评论- 美国看世界杯 【打印页面】 【关闭页面】 【TOP】
美国看世界杯
版权:山东美国2026世界杯直播 2002-2018 鲁ICP备09032618号 网站地图隐私保护法律公告联系我们网站管理
网址:hvhbo.com 电话:0536-8222888 8236921 美国2026世界杯直播 传真:0536-8298388 手机:13806491159
地址:山东省潍坊市奎文区潍州路1088号(华光高科总部) 邮编:261041
三用表检定装置多用表校准仪三表校准仪多功能标准源钳形表检定装置多用表检定装置多用表校正仪多功能校准源多功能校准器电三表校验仪三表校验仪
万用表检定装置万用表校准仪三用表校准仪钳形表校准仪钳形表校验仪多用表校准仪多用表校验仪多功能校准仪多功能校验仪万用表校验仪三用表校验仪
DO30 ┆┆DO30-2┆┆DO30-3 ┆┆DO30-3A┆┆DO30-D ┆┆DO30-IIB┆┆DO30-Q ┆┆DO3020A┆┆DO30B-2 ┆┆DO30A┆┆DO3020W ┆┆DO30-VI┆┆DO30-E ┆┆NM3000┆┆NM5200 ┆┆NM3200┆┆NM5600
供求信息
HG30 ┆┆HG30-IIB┆┆HG30-3 ┆┆HG3020A┆┆HG30-Q ┆┆HG30-3A┆┆HG30A-2 ┆┆HG30A-1┆┆HG5520A ┆┆HG30-VI┆┆
XF30 ┆┆XF30A┆┆XF30A-1 ┆┆XF30A-2┆┆XF30A-3┆┆XF30DQ┆┆XF30-IIA ┆┆XF30B-2┆┆
┆ ┆
在线客服